Merhaba;
Size Nasıl Yardımcı Olabiliriz ...
MÜHENDİSLİK & PROSES TASARIM
Taleplerinize ve gıda hijyen ve standartlarına uygun ve tüm teknik gereksinimleri karşılayan tesislerin tasarlanması, öncelikle doğru mühendislik hesaplamaları ve buna uygun tasarım ve modellemelerin oluşturulması ile mümkün olabilmektedir. Gıda üretiminde kullanılan makineler, sektördeki en zorlu koşullara dayanabilmeli ve gıda güvenliği standartlarına uygun olmalıdır. Bu çerçeve ve bakış açısı ile, Biz, yenilikçi mühendislik çözümleri ile üretim süreçlerinizi modernize ederken, kaliteyi ve verimliliği ön planda tutuyoruz. Sağladığımız çözümlerle, operasyonel verimliliğinizi artırarak, zaman ve maliyet tasarrufu sağlıyoruz-

- Proses Tasarımı ve P&ID (Process and Instrument Diagram)
-

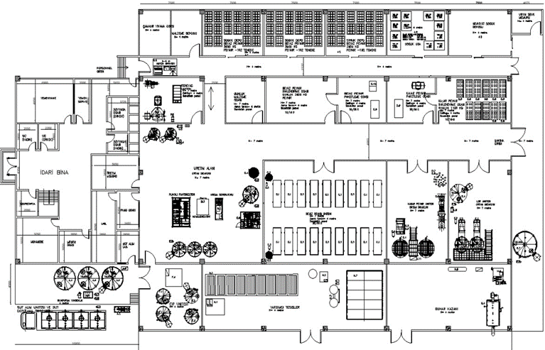
- 2D Komple Tesis Yerleşim Planları
-

- 3D Komple Tesis Modellemeleri
-

- Hassas Mühendislik ve Doğru Enstrüman & Ekipman Seçimi
-

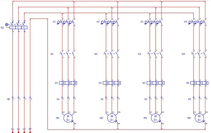
- Elektrik E-Plan Projeleri ve Üretim
-

- 3D Ünite ve Üretim Modelleri